Ampleon小型蜂窩射頻電源解決方案B10G4750N12DL
發布時間:2023-12-08 08:53:43 瀏覽:2443
Ampleon是一家專注于射頻功率放大器和射頻電源解決方案的公司,提供各種規格和類型的蜂窩射頻電源解決方案,用于移動通信網絡中的基站和無線通信設備。Ampleon的小型蜂窩射頻電源解決方案針對不同的應用需求提供了高效、可靠的解決方案。這些解決方案通過提供穩定可靠的功率放大器和電源模塊,幫助用戶實現高質量、高性能的無線通信。
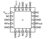
3級完全輸入和輸出匹配的集成LDMOS Doherty PA,采用7 x 7 mm LGA封裝
在小基站中作為最后級實現高增益和高效率,在驅動器模式下具有高線性度
緊湊、低成本的解決方案,具有出色的熱性能
專為采用超 VBW 的寬信號帶寬應用 (300 MHz) 而設計

B10G4750N12DL
3級完全輸入和輸出匹配的集成LDMOS Doherty PA,采用7 x 7 mm LGA封裝
小基站中的高增益和高效率作為最終級
緊湊、低成本的解決方案,具有出色的熱性能
專為寬帶操作而設計

推薦資訊
隨著對晶體振蕩器的需求越來越大,這些晶體振蕩器無需大量功率即可提供穩定性。低功耗OCXO系統(LP-OCXO)使電源可用性有限的應用更容易獲得恒溫控制的性能。 傳統OCXO的電流消耗為 150 – 300 mA。另一方面,TCXO 的電流消耗僅為 2 – 20 mA 左右,但穩定性較差,并且在某些環境中更容易受到環境溫度的影響。而Bliley低功耗 OCXO LP62 在啟動時僅消耗 200 mW,并提供 135 mW 的穩態功耗。
英飛凌 OPTIREG? 低壓差 (LDO) 線性穩壓器將質量和技術相結合,提供簡單的電源解決方案。它們專為具有負載的汽車應用而設計,例如收發 器,微控制器、有源天線和傳感器.我們的線性汽車穩壓器 (LDO) 由布局簡單的小組件組成,易于用于直接的客戶設計。
在線留言