Renaissance 12A4BG-40N雙定向耦合器
發布時間:2025-07-25 08:56:22 瀏覽:1734
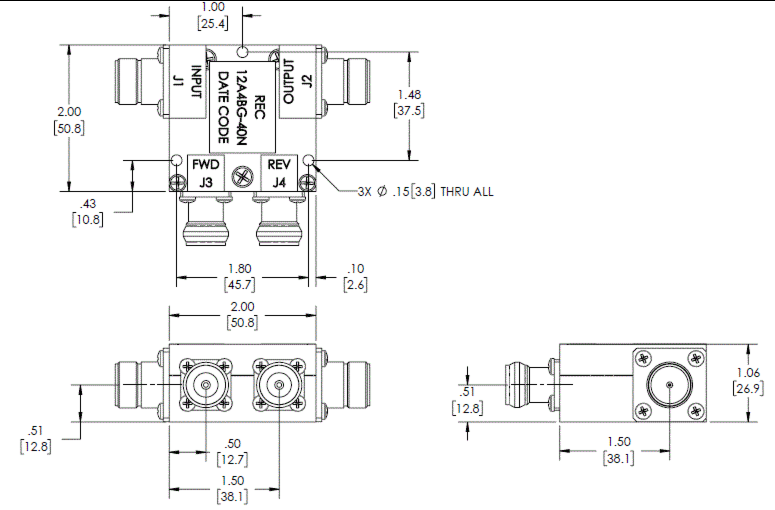
Renaissance 12A4BG-40N是一款雙定向耦合器,由 Renaissance Electronics公司生產。其工作頻率范圍為700MHz至4.2GHz,尺寸為2×2×1.06英寸,適用于測試和測量應用。


Renaissance Electronics & Communications, LLC 是一家專注于高可靠性無源和有源組件以及子系統的設計和制造公司,其產品廣泛應用于軍事和商業領域。HXI公司(已被Renaissance收購)是一家專注于射頻和微波技術的公司,主要為國防、太空和航空市場提供廣泛的產品線,包括低噪聲放大器、功率放大器、頻率倍增器、混頻器/上變頻器、波導隔離器和環行器以及PIN開關等,頻率覆蓋從18 GHz至110 GHz。深圳市立維創展科技有限公司優勢供銷Renaissance/HXI產品,歡迎咨詢了解。
推薦資訊
Renaissance 2L9NHY-ROHS 是一款專為高清衛星電視設計的 K 波段下變頻器隔離器,工作頻率范圍為 25.8 - 27.2 GHz,具備高可靠性、高帶寬通信支持以及 1W 功率負載能力。其核心優勢包括高隔離度(18 dB)、低插入損耗(最大 1.0 dB,目標 0.8 dB)以及緊湊尺寸(2.50 x 5.00 x 1.50 英寸),同時電壓駐波比(VSWR)最大為 1.35:1,工作溫度范圍為 -40°C 至 85°C,適用于需要高精度指向性和高數據傳輸速率的射頻應用場景。
MTI Instruments?的全新一維 激光位移傳感器即便在最困難的應用領域中也能帶來出色的速率和精密度,并通過一根USB電線電纜提供數據輸出和電源模塊。
在線留言