如何應對TI德州儀器漲價30%?國產替代方案解析
發布時間:2025-08-06 16:51:04 瀏覽:906
隨著德州儀器(TI)在2025年8月4日宣布對其產品進行新一輪的價格調整,涉及超過60,000個產品型號,漲價幅度在10%到30%之間,其中超過四成產品漲幅超過30%。這一漲價行為對全球市場產生了深遠影響,尤其是在工業控制、汽車電子等長期應用領域,數字隔離器、隔離驅動芯片等關鍵器件價格普遍上漲25%以上。

1. GLF杰夫微國產替代
在德州儀器的產品漲價背景下,國產替代方案成為了眾多企業的選擇。GLF杰夫微作為國內領先的半導體公司,提供了多種高性能的國產替代產品。以下是GLF杰夫微在德州儀器產品漲價背景下的國產替代方案:
數字隔離器:GLF杰夫微的數字隔離器產品在性能上與德州儀器的同類產品相當,但在價格上具有明顯優勢。通過采用先進的封裝技術和優化的制造工藝,GLF杰夫微的數字隔離器在保證高性能的同時,降低了成本,為企業提供了更具性價比的選擇。
隔離驅動芯片:GLF杰夫微的隔離驅動芯片在工業控制和汽車電子領域有著廣泛的應用。這些產品不僅在性能上能夠替代德州儀器的同類產品,而且在可靠性和穩定性上也得到了市場的認可。通過采用國產替代方案,企業可以在降低成本的同時,保證產品的質量和性能。
2. CYNTEC電源模塊替代
CYNTEC作為國內領先的電源模塊供應商,提供了多種高性能的電源模塊產品,這些產品在性能上能夠替代德州儀器的電源管理芯片和射頻前端芯片。以下是CYNTEC在德州儀器產品漲價背景下的國產替代方案:
電源管理芯片:CYNTEC的電源管理芯片在消費電子與通信設備領域有著廣泛的應用。這些產品不僅在性能上能夠替代德州儀器的同類產品,而且在價格上具有明顯優勢。通過采用CYNTEC的電源管理芯片,企業可以在降低成本的同時,保證產品的質量和性能。
射頻前端芯片:CYNTEC的射頻前端芯片在通信設備領域有著廣泛的應用。這些產品不僅在性能上能夠替代德州儀器的同類產品,而且在可靠性和穩定性上也得到了市場的認可。通過采用CYNTEC的射頻前端芯片,企業可以在降低成本的同時,保證產品的質量和性能。
注:也可聯系立維創展客服提供TI產品替代方案
推薦資訊
DATEL EB系列DC-DC轉換器是一款開放式框架的八分之一磚型模塊,輸出功率高達200W,支持18-36V或36-75V寬輸入范圍,并提供1.2V至50V多種穩壓輸出(最高30A電流)。其效率高達93%,具備1500V直流隔離,工作溫度范圍寬達-40°C至+123°C,且降額極小。產品集成過熱/過流/過壓保護及遠程控制功能,適用于分布式電源、通信設備、服務器及儀器儀表等領域,兼具高精度、低紋波和總線轉換能力。
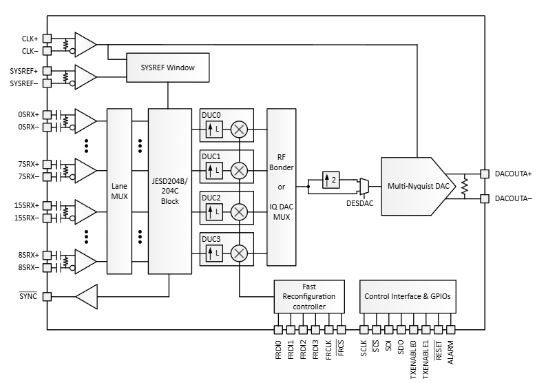
DAC39RF10-SP是TI的一款16位分辨率雙通道/單通道數模轉換器,支持JESD204B/C接口,采樣速率10400 Msps(雙通道),20800 Msps(單通道),多種插值選項,功耗3800 mW,無雜散動態范圍85 dB,適用于直接射頻采樣、復數基帶信號生成、任意波形生成和直接數字合成。具有超高速、建筑電流源和分機/整數類型引用等特性,適用于高性能射頻和通信系統。
在線留言