- 產品詳情
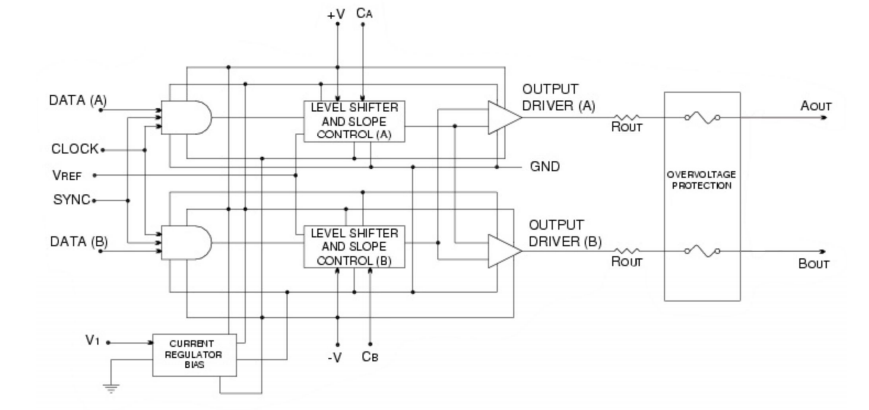
BD429 ARINC線路驅動器電路是雙極性單片IC,旨在滿足多種通用航空串行數據總線標準的要求。其中包括差分雙極性 RZ 類型,如 ARINC 429、ARINC 571 和 ARINC 575,以及差分 NRZ 類型,如 RS-422 標準。

| Part # | Temp Range | Product Package Type | Output Resistance |
| BD429 | -55 to 125 | 16 CERDIP | 37.5 |
| BD429A1-G | -55 to 85 | 16 SOIC WB G | 37.5 |
| BD429A-G | -55 to 85 | 16 SOIC WB G | 37.5 |
| BD429B | -55 to 85 | 28 PLCC | 37.5 |
| BD429B-G | -55 to 85 | 28 PLCC G | 37.5 |
| BD429-G | -55 to 125 | 16 CERDIP G | 37.5 |
| DEI0429-EES | -55 to 85 | 28 CLCC | 37.5 |
| DEI0429-EMB | -55 to 125 | 28 CLCC | 37.5 |
| DEI0429-EMS | -55 to 125 | 28 CLCC | 37.5 |
| DEI0429-WMB | -55 to 125 | 16 CSOP | 37.5 |
| DEI0429-WMS | -55 to 125 | 16 CSOP | 37.5 |
| DEI1022-G | -55 to 85 | 14 SOIC NB G | 37.5 |
| DEI1023-G | -55 to 85 | 14 SOIC NB G | 37.5 |
| DEI1024-G | -55 to 85 | 14 SOIC NB G | 0 |
| DEI1025-G | -55 to 85 | 14 SOIC NB G | 0 |
| DEI1032-G | -55 to 125 | 16 SOIC NB G | 0 |
| DEI1038 | -55 to 85 | 28 PLCC | 13 |
| DEI1038-G | -55 to 85 | 28 PLCC G | 13 |
| DEI1070A-DMB | -55 to 125 | 8 SB DIP | 37.5 |
| DEI1070A-DMS | -55 to 125 | 8 SB DIP | 37.5 |
| DEI1070A-SES-G | -55 to 85 | 8 EP SOIC G | 37.5 |
| DEI1070A-SMB-G | -55 to 125 | 8 EP SOIC G | 37.5 |
| DEI1070A-SMS-G | -55 to 125 | 8 EP SOIC G | 37.5 |
| DEI1071A-DMB | -55 to 125 | 8 SB DIP | 10 |
| DEI1071A-DMS | -55 to 125 | 8 SB DIP | 10 |
| DEI1071A-SES-G | -55 to 85 | 8 EP SOIC G | 10 |
| DEI1071A-SMB-G | -55 to 125 | 8 EP SOIC G | 10 |
| DEI1071A-SMS-G | -55 to 125 | 8 EP SOIC G | 10 |
| DEI1072A-DMB | -55 to 125 | 8 SB DIP | 0 |
| DEI1072A-DMS | -55 to 125 | 8 SB DIP | 0 |
| DEI1072A-SES-G | -55 to 85 | 8 EP SOIC G | 0 |
| DEI1072A-SMB-G | -55 to 125 | 8 EP SOIC G | 0 |
| DEI1072A-SMS-G | -55 to 125 | 8 EP SOIC G | 0 |
| DEI1073A-DMB | -55 to 125 | 8 SB DIP | 37.5 |
| DEI1073A-DMS | -55 to 125 | 8 SB DIP | 37.5 |
| DEI1073A-SES-G | -55 to 85 | 8 EP SOIC G | 37.5 |
| DEI1073A-SMB-G | -55 to 125 | 8 EP SOIC G | 37.5 |
| DEI1073A-SMS-G | -55 to 125 | 8 EP SOIC G | 37.5 |
| DEI1074A-DMB | -55 to 125 | 8 SB DIP | 10 |
| DEI1074A-DMS | -55 to 125 | 8 SB DIP | 10 |
| DEI1074A-SES-G | -55 to 85 | 8 EP SOIC G | 10 |
| DEI1074A-SMB-G | -55 to 125 | 8 EP SOIC G | 10 |
| DEI1074A-SMS-G | -55 to 125 | 8 EP SOIC G | 10 |
| DEI1075A-DMB | -55 to 125 | 8 SB DIP | 0 |
| DEI1075A-DMS | -55 to 125 | 8 SB DIP | 0 |
| DEI1075A-SES-G | -55 to 85 | 8 EP SOIC G | 0 |
| DEI1075A-SMB-G | -55 to 125 | 8 EP SOIC G | 0 |
| DEI1075A-SMS-G | -55 to 125 | 8 EP SOIC G | 0 |
| DEI1170A-MES-G | -55 to 85 | 20 5x5 C MLPQ G | User Selectable: 0, 10, 37 |
| DEI1170A-MMS-G | -55 to 85 | 20 5x5 C MLPQ G | User Selectable: 0, 10, 37 |
| DEI1171A-MES-G | -55 to 125 | 20 5x5 I MLPQ G | User Selectable: 0, 10, 37 |
| DEI1171A-MMS-G | -55 to 85 | 20 5x5 I MLPQ G | User Selectable: 0, 10, 37 |
| DEI1270A-MES-G | -55 to 85 | 38 5x7 C MLPQ G | User Selectable: 0, 10, 37 |
| DEI1270A-MMS-G | -55 to 125 | 38 5x7 C MLPQ G | User Selectable: 0, 10, 37 |
| DEI1271A-MES-G | -55 to 85 | 38 5x7 I MLPQ G | User Selectable: 0, 10, 37 |
| DEI1271A-MMS-G | -55 to 125 | 38 5x7 I MLPQ G | User Selectable: 0, 10, 37 |
| DEI3182A-CMB | -55 to 125 | 16 CERDIP | 37.5 |
| DEI3182A-CMS | -55 to 125 | 16 CERDIP | 37.5 |
| DEI3182A-DMB | -55 to 125 | 16 SB DIP P | 37.5 |
| DEI3182A-DMS | -55 to 125 | 16 SB DIP P | 37.5 |
| DEI3182A-EMB | -55 to 125 | 28 CLCC P | 37.5 |
| DEI3182A-EMS | -55 to 125 | 28 CLCC P | 37.5 |
| DEI5070-SES-G | -55 to 85 | 8 EP SOIC G | 37.5 |
| DEI5070-SMS-G | -55 to 125 | 8 EP SOIC G | 37.5 |
| DEI5071-SES-G | -55 to 85 | 8 EP SOIC G | 27.5 |
| DEI5071-SMS-G | -55 to 125 | 8 EP SOIC G | 27.5 |
| DEI5072-SES-G | -55 to 85 | 8 EP SOIC G | 7.5 |
| DEI5072-SMS-G | -55 to 125 | 8 EP SOIC G | 7.5 |
| DEI5090-MES-G | -55 to 85 | 16 4X4 I MLPQ G | User selectable: 5, 37.5 |
| DEI5090-MMS-G | -55 to 125 | 16 4X4 I MLPQ G | User selectable: 5, 37.5 |
| DEI5090-SES-G | -55 to 85 | 16 SOIC NB G | User selectable: 5, 37.5 |
| DEI5090-SMS-G | -55 to 125 | 16 SOIC NB G | User selectable: 5, 37.5 |
| DEI5097-SES-G | -55 to 85 | 16 SOICW I EP G | 37.5 |
| DEI5270-MES-G | -55 to 85 | 38 5x7 I MLPQ G | User selectable: 7.5, 27.5, or 37.5 |
| DEI5270-MMS-G | -55 to 125 | 38 5x7 I MLPQ G | User selectable: 7.5, 27.5, or 37.5 |
