- 產品詳情
碳化硅 (SiC) 半導體是電源應用的創新選擇,可提高系統效率、尺寸、重量、外形尺寸和工作溫度范圍。Solitron 將最新的先進 SiC 技術與獨特的輕質封裝相結合,推出了一系列新的高密度半橋和全橋模塊。模塊中非常低的雜散電感對于SiC MOSFET的全速開關至關重要。高開關頻率轉化為更小的磁性元件,從而顯著減小了系統重量和尺寸。Solitron使用先進的技術和材料,包括AlN襯底,增強了碳化硅MOSFET的高導熱性。這樣可以提高系統導熱性、降低開關損耗和增強可靠性。
Solitron 提供各種標準 SiC 功率模塊,包括半橋和全橋配置以及 PowerMOD 系列專用功率模塊。借助 PowerMOD 系列,用戶可以從各種電路配置和封裝選項中進行選擇,以針對特定機會優化定制器件。
碳化硅功率模塊是開關電源、逆變器、電池充電器、驅動和電機控制應用的理想選擇。
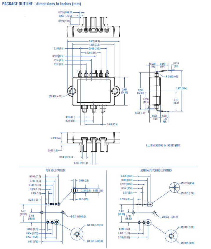
| Device Type | Type Number | Voltage | Continuous Current | RDS(on) | Temp. Range | Pinout | Recovery Diodes | Temperature Sensor |
|---|---|---|---|---|---|---|---|---|
| Half Bridge | SD11902 | 1200V | 50A | 32mΩ | -55°C to 175°C | 3x6 B | Yes | Yes |
| Half Bridge | SD11903 | 1200V | 50A | 32mΩ | -55°C to 175°C | 3x6 A | No | Yes |
| Half Bridge | SD11904 | 1200V | 50A | 32mΩ | -55°C to 175°C | 3x6 A | Yes | Yes |
| Half Bridge | SD11905 | 1200V | 50A | 32mΩ | -55°C to 175°C | 3x6 B | No | Yes |
| Half Bridge | SD11906 | 1200V | 105A | 13mΩ | -55°C to 175°C | 3x6 B | Yes | Yes |
| Half Bridge | SD11956 | 1200V | 105A | 13mΩ | -55°C to 175°C | 3x6 B | Yes | No |
| Half Bridge | SD11907 | 1200V | 105A | 13mΩ | -55°C to 175°C | 3x6 B | No | Yes |
| Half Bridge | SD11957 | 1200V | 105A | 13mΩ | -55°C to 175°C | 3x6 B | No | No |
| Half Bridge | SD11908 | 650V | 50A | 15mΩ | -40°C to 175°C | 3x6 B | No | Yes |
| Half Bridge | SD11910 | 1200V | 120A | 8mΩ | -55°C to 175°C | 3x6 B | No | Yes |
| Dual MOSFET | SD11911 | 1200V | 120A | 8.6mΩ | -55°C to 175°C | 4x6 | No | Yes |
| Dual MOSFET | SD11912 * | 1200V | 105A | 13mΩ | -55°C to 175°C | 4x6 | No | Yes |
| Full Bridge | SD11915 * | 1200V | 40A | 32mΩ | -55°C to 175°C | 4x10 | No | Yes |
| Full Bridge | SD11916 * | 1200V | 50A | 8mΩ | -55°C to 175°C | 4x10 | No | Yes |
| Half Bridge | SD11918 * | 1200V | 105A | 13mΩ | -55°C to 175°C | 6x6 | No | Yes |
| Half Bridge | SD11919 * | 1200V | 105A | 13mΩ | -55°C to 175°C | 6x6 SMD | No | Yes |

特點和優點
?優異的系統效率,由于低開關和傳導損失的sic
?卓越的功率轉換效率在高頻操作
?高速開關w /低電容
?減少寄生電感和電容
?真正的開爾文源連接穩定柵極驅動
?隔離的背面直接安裝到散熱器
?鋁基板和銅基板的導熱性
?高結溫操作
?低結殼熱阻
?降低熱需求和系統成本
?集成NTC溫度傳感器
?堅固的安裝由于集成安裝襯套
?低調緊湊的包裝