XC9220/XC9221系列是Torex公司推出的16V輸入電壓降壓型DC/DC控制器IC,具有高效率、高輸出電流(高達3A)和靈活的配置特性。該系列支持低ESR陶瓷電容器,提供0.9V(±1.5%)參考電壓,可通過外部電阻自由設置輸出電壓,并提供300kHz、500kHz和1.0MHz的內部開關頻率。XC9220采用PWM控制,而XC9221則支持PWM/PFM自動切換,以優化輕負載效率。其內置UVLO功能、軟啟動控制和多種保護機制(如短路保護)確保了系統的穩定性和可靠性。該系列產品廣泛應用于機頂盒、數字電視、智能手機、筆記本電腦等設備,工作溫度范圍為-40℃至+85℃,符合RoHS標準。
DATEL SB系列1/16磚型開放式框架DC-DC轉換器,符合行業標準規格,支持廣泛輸入電壓(9-36 VDC或18-75 VDC)和高效能設計,適用于-40°C至+123°C的寬溫工作環境。具備2250V直流隔離(最高2828V),提供全面的保護功能(OTP、OCP、OVP、UVLO等),支持遠程開關和檢測,輸出電壓可調±10%。符合ROHS、UL94 V-0、REACH等環保和安全標準,適用于分布式電源架構、儀器儀表、數據通信和服務器等應用。
Leadway電源模塊作為TI電源模塊的國產替代方案,憑借高轉換效率、精確電壓調節、成本優勢和供應穩定性,能夠實現與TI模塊在電氣參數、物理尺寸和引腳定義上的無縫替換,廣泛應用于工業自動化和消費電子領域,幫助企業降低成本、提高供應鏈自主性和產品競爭力。
Murata村田的DCDC電源模塊因高性能和可靠性在全球市場中占據重要地位,但由于部分產品停產,國內廠商Leadway電源模塊憑借其高性能、價格優勢和不斷創新的技術,成為Murata產品的有力替代品,推動了國產電源模塊市場的崛起。
XC9235/XC9236/XC9237系列是Torex公司生產的同步降壓型DC/DC轉換器,內置600mA驅動晶體管,具有高效率、多種輸出電壓設置、可選擇的振蕩器頻率、PWM/PFM控制模式等特點,適用于智能手機、藍牙設備、移動設備等多種便攜式電子產品。
BRNSS、BRNS12 和 BRNS20 是 Cosel 生產的高性能 DC-DC 轉換器,分別提供 6A、12A 和 20A 的電流輸出。這些轉換器具有寬輸入電壓范圍(3.0V 至 14.4V 及 0.6V 至 5.5V),效率高達 87%,輸出電壓可調,紋波電壓和噪聲低(25mVp-p 和 50mVp-p),啟動時間僅 4.5ms。此外,它們具備過流保護、遠程感應和開關等保護功能,適應廣泛的工作和存儲溫度(-40°C 至 85°C 和 -40°C 至 100°C),并能耐受振動和沖擊
CUI公司的VCD40 - D24 - T315是一款三路輸出DC - DC轉換器,輸入電壓18~36V,功率40W,輸出電壓3.3V、15V、-15V,輸出電流6A、0.3A、-0.3A,隔離電壓1500V,工作溫度 - 40°C~85°C,效率90%。采用通孔安裝和9 - DIP封裝,尺寸2.00"長x2.00"寬x0.40"高,適合工業控制、通信設備等高功率、高效率、多電壓輸出的應用,尤其在空間受限場景中表現出色。
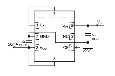
Torex公司的XC9223/XC9224系列同步降壓型DC/DC轉換器,內置1A驅動晶體管,支持1.0MHz或2.0MHz高開關頻率,適用于硬盤驅動器、筆記本電腦等空間受限應用。其特點包括通過LIM引腳選擇電流限制(0.6A至1.2A)、模式選擇(PWM/PFM或PWM)、同步功能(±25%范圍)及多種保護功能(熱關斷、短路保護等)。輸入電壓2.5V至6.0V,輸出電壓0.9V至VIN,輸出電流1.0A,效率高達95%,兼容陶瓷電容器,封裝為MSOP-10和USP-10B,符合RoHS標準。
OmniOn Power AXA016A0X3-SRZ 是一款高效、緊湊的非隔離式 DC-DC 轉換器,提供高達 16A 的輸出電流,在 3.3V 輸出時具有 92% 的滿載效率。其輸入電壓范圍為 10 至 14Vdc,輸出電壓可通過外部電阻在 0.75Vdc 至 5.5Vdc 之間精確調節。該模塊尺寸小巧,僅為 33.0 mm x 13.46 mm x 8.28 mm,具備低輸出紋波和噪聲、恒定開關頻率 300 kHz、線路和負載調節精度高(典型值分別為 0.3% 和 0.4%),并支持遠程開關機和感應功能。工作溫度范圍為 -40℃ 至 85℃,適用于分布式電源架構、電信設備、服務器和存儲應用等多種場景。
Murata村田的MYSGM5R020ELE8RA是一款高性能、小型化的單塊型非隔離式點負載DC-DC降壓轉換器,專為嵌入式應用設計,具有4.5至15Vdc的輸入電壓、1.5至5.0Vdc的輸出電壓和20A的高電流輸出,尺寸緊湊(14.0 x 11.0 x 8.3mm),效率高達95.6%,并提供全面的保護功能和PMBus?接口。適用于FPGA、CPU供電、數據通信和電信系統等高性能電源需求場景。由于MYSGM5R020ELE8RA已停產,推薦使用cyntec的MSN12AD20-MQ作為替代方案。
村田的MYSGK1R830系列是一款小型、高功率密度的DC-DC轉換器,適用于嵌入式應用,具有最大30A輸出電流、可調輸出電壓0.7至1.8Vdc、高效率(最高89.6%)、過流和短路保護等特點,廣泛應用于FPGA/CPU供電、數據通信/電信系統等領域。其替代方案cyntec MSN12VD30-FR提供了更廣的輸入電壓范圍和靈活的輸出電壓調整,適合替代MYSGK1R830ERSR,但在選擇時需根據具體應用需求評估技術規格的差異。
OmniOn Power FKX003A0X3-SRZ是一款小尺寸(6.76 mm x 9 mm x 7.2 mm)的DC-DC轉換器,輸入電壓范圍為4.5VDC至14.4VDC,輸出電流3A,輸出電壓可從0.6VDC調節至5.5VDC,工作溫度范圍為-40°C至85°C。其特點包括遠程開/關功能、可調節輸出電壓、過流和過溫保護,以及可調環路功能,優化動態響應,減少輸出電容和PWB面積。廣泛應用于分布式電源架構、中間總線電壓、電信設備、服務器、存儲、網絡設備和工業設備等領域。
DATEL公司生產的HBR系列鐵路半磚型DC-DC轉換器,輸出功率100瓦,效率高達89%,具備3000伏特RMS直流隔離,輸入電壓范圍66-160伏特,工作溫度-40°C至+100°C。其特點包括工業標準半磚封裝、固定開關頻率穩壓、完全隔離、多重保護功能(過流、過壓、過溫、輸入欠壓鎖定)、遠程開/關控制和連續短路保護。該系列產品符合CE、UL60950-1和EN50155標準,廣泛應用于鐵路系統、分布式電源架構、電信、服務器、移動設備、軍事和工業領域。
Intel? Enpirion? EN6363QI是一款集成了電感器的6A PowerSoC降壓型DC-DC開關轉換器,專為高效率和緊湊設計的電源管理應用設計。其特點包括內置電感器、高電流處理能力、高轉換效率和緊湊的封裝,適用于移動設備、嵌入式系統和便攜式電子設備。作為替代方案,推薦使用Cyntec的MUN12AD06-SM,其開關頻率為800kHz,效率可達93%,由臺達旗下的Cyntec提供,深圳市立維創展科技代理。
Torex公司的XCL232系列為同步降壓微型DC/DC轉換器,集成電感器與IC,適用于多種設備。采用特定技術,僅需兩個外部電容器就能配置電源。其輸入電壓1.8V - 6.0V,輸出電壓0.5V - 3.6V,輸出電流150mA,待機電流200nA(VOUT = 1.8V),效率86%(特定條件下),有多種功能,封裝為CL - 2025 - 03(2.5x2.0x1.04mm)。
Q-PRV系列高壓DC/DC轉換器是一款高效、緊湊的電源解決方案,具有0.5W以上的輸出功率,輸出電壓范圍為100Vdc至500Vdc,支持12Vdc或24Vdc輸入電壓,具備短路保護、低紋波、無最小負載要求等特性。其主要特點包括比例型輸出、寬溫度工作范圍(-25℃至+70℃)、高隔離度(超過100MΩ)、小尺寸(0.5x0.5x0.5英寸)、優秀的負載穩定性以及RoHS認證,適用于PCB安裝和環保要求嚴格的應用場景。
DATEL的2:1 Thirty-second Brick TB系列DC-DC轉換器提供高達36瓦的輸出功率,具有高效率和1500V的DC隔離,支持18至36V或36至75V的寬輸入電壓范圍,并在-40°C至+123°C的溫度范圍內高效運行,具備遠程控制、保護和調節功能,適用于分布式電源架構、移動通信和工業應用。
XCL210系列是集成電感器與控制IC的微型DC/DC轉換器,2.0mm×2.5mm×1.0mm的微型封裝適合空間受限場景。其特點有特定的輸入輸出電壓范圍、PFM控制、不同類型的輸出電流、低消耗電流、較高效率、多種功能、特定輸出電容和工作溫度范圍,符合環保要求。適用于穿戴設備等低功耗且空間受限的設備。
DATEL公司生產的AS系列DC-DC轉換器,輸出功率最高20瓦,效率達84%,具備1500伏特DC隔離電壓和4:1寬輸入范圍,適用于分布式電源架構、移動通信等工業應用。產品特點包括標準尺寸、穩壓輸出、遠程開關控制和金屬屏蔽外殼,并提供定制輸出電壓和多項安全認證。
MYSGK02506BRSR是Murata公司推出的一款高效率、高輸入電壓的6A DC-DC轉換器,具有寬輸入電壓范圍、可調輸出電壓、超小型表面貼裝封裝,并提供短路保護和遠程開/關控制功能,適用于通信、服務器、網絡設備以及高性能IC的供電,工作溫度范圍為-40至+85°C。
在線留言