MAXM15062/MAXM15063/MAXM15064是美信的降壓電源模塊,專為工業等領域設計。MAXM15062/MAXM15063提供固定3.3V和5V輸出,而MAXM15064提供可調輸出(0.9V至5V)。這些模塊支持4.5V至60V的寬范圍輸入,輸出電流最高可達300mA。應用領域包括工業傳感器和編碼器、HVAC和建筑控制、電池供電設備、通用電源、Type-C充電端口、4-20mA電流環供電傳感器、LDO替代品和通用負載點電源。
FS1406-0600-AS 是一款由TDK公司生產的微型負載點(μPOL?)電壓穩壓器,集成了PWM控制器、MOSFET、電感器和電容器,尺寸僅3.3mm x 3.3mm x 1.5mm,支持4.5至16V輸入電壓,輸出電壓0.6至2.64V,精度±0.5%,提供6A連續負載電流。支持I2C串行總線編程,具備多種保護功能,適用于存儲、電信、工業、服務器等應用。
SDS High Voltage公司是一家專注于高壓電源技術的領先企業。提供廣泛的高壓電源和高壓轉換器,并為工業、科學和核儀器、醫療、研究和國防領域提供解決方案。
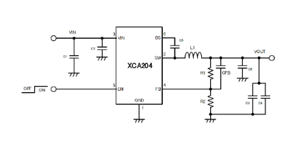
XCA204A0K1MR是TOREX公司的一款高性能同步降壓DC/DC電源模塊,適用于4.5V至18.0V的寬輸入電壓范圍,通過內置N溝道MOSFET和PWM/PFM自動切換控制實現高效率轉換,輸出電壓可調,具備軟啟動和多種保護功能,廣泛應用于機頂盒、便攜式電視等設備,提供穩定可靠的電源管理解決方案。
EN2342QI是英特爾Enpirion系列的高度集成降壓DC-DC電源模塊,支持4.5V至14V寬輸入電壓范圍,85°C下保證4A輸出電流,高效率達95%,提供1.5%高精度輸出電壓,應用領域包括FPGA、服務器、嵌入式計算系統、網絡適配卡、存儲系統、工業自動化、測試測量和電信設備等。
MAXM15465 μModule是一款高效集成的DC-DC降壓電源模塊,支持4.5V至42V輸入電壓,提供高達300mA輸出電流。它集成了控制器、MOSFET、補償元件和電感,有固定3.3V、5V輸出或0.9V至6.3V可調輸出選項。采用10引腳uSLIC封裝,尺寸為2.6mm x 3mm x 1.5mm,適用于空間受限環境。
Cyntec電源產品可能作為COSEL的PoL非隔離電源模塊的替代選擇。例如,Cyntec的MSN12VD30-FR和MPN12AD06-TS在性能上與COSEL的BRFS30和BRFS30相近,且尺寸更小,適合空間有限的應用。用戶在選擇替代產品時應考慮性能、尺寸和成本等因素,以找到最適合自己需求的產品。
MAXM17724 電源模塊是高性能 DC-DC 轉換器,工作輸入電壓范圍寬,集成降壓型轉換器和線性調節器,具有多種特性,適用于工業等領域。
EN5366QI是Intel的一款集成電源系統模塊,專為高性能、低功耗的處理器、DSP、FPGA等設計。該模塊集成電感、MOSFET和控制器,占地面積小,僅需3個MLCC電容,能提供高達20W的連續輸出功率,效率高達93%,支持5MHz開關頻率。具有寬輸入電壓范圍、輸出控制和多重保護功能,符合RoHS標準,適用于負載點調節、計算設備、通信網絡等領域。
MAXM15462是一款高效同步降壓DC-DC轉換模塊,支持4.5V至42V輸入電壓,提供高達300mA輸出電流,輸出電壓可編程為0.9V至5V,或固定為3.3V和5V。采用峰值電流模式架構,支持PWM或PFM模式,內置軟啟動,采用10引腳μSLIC封裝,工作溫度-40°C至+125°C。適用于4–20mA電流環路、電池設備、負載點、HVAC控制、工業傳感器和過程控制等應用。
VCD40-D48-T312是CUI公司的一款三輸出隔離DC-DC電源模塊,輸入電壓范圍36V至72V,輸出分別為3.3V、12V和-12V,最大功率29W,具有過溫、過壓和短路保護。適用于商業ITE設備,如IT和通信設備,提供穩定的電源輸出和安全性。
EN6338QI是英特爾Enpirion系列的高集成DC-DC電源模塊,采用緊湊的19引腳LGA封裝,內置MOSFET、電路、補償和電感。它提供高達96%的效率,支持3A連續電流,具有寬輸入電壓范圍和精確的輸出電壓控制。該模塊還具備輕負荷模式、低紋波和EMI、可編程軟啟動和全面的保護功能。設計簡化了電路板設計和制造,降低了成本,并符合RoHS和無鉛制造標準。適用于FPGA、ASIC、處理器和DSP等高功率密度和高效率應用。
Torex特瑞仕XCL系列是一種簡單結構的降壓DC/DC轉換器與線圈一體型IC,線圈被安裝在轉換器IC的頂部。通過這種結構,我們可以在縮小安裝面積的同時確保各種特性。為了滿足最大600mA的輸出電流需求,我們只需要2個電容作為元器件,這使得電路板的安裝變得更加小型化。另外,由于其簡單的結構,不僅不會損失IC的特性,而且還可以使用現有的成型產品進行生產,這是它的優點之一。
在線留言